
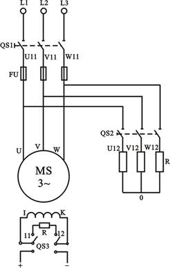
| 代號 | 名稱 | 型號 | 規格 | 數量 | 備注 |
| QS1 | 低壓斷路器 | DZ108-20/10-F | 脫扣器整定電流(liú)0.65~1A | 1 | |
| FU | 螺旋式熔(róng)斷(duàn)器 | RL1-5 | 配熔體3A | 3 | |
| QS2、QS3 | 轉換開關 | KNG3-1 | 2 | ||
| XT | 接線端子排 | AC660V25A | 13位 | ||
| DW-05 | 電阻箱 | 90V /1.3A | 4 | ||
| M | 凸極式同步電動機 | UN380V(Y)IN0.35A | 1 |


品牌理念
標準流程
有效(xiào)溝通
專業管(guǎn)理
優秀團(tuán)隊
品質保證
無憂售後 | 上海红桃视频app科教設備有限公司,立於(yú)上海,心(xīn)懷天下 |
生產基地:上海鬆江葉榭工(gōng)業園
業務電話:021-56311657 , 56411696 , 業務傳真:021-56411696 公司郵箱:shanghaimaoyu@126.com 教學設備廠 滬公網安備 31010702001294 號(hào) 滬ICP備13020377號-1 |