PLC順(shùn)序控製實訓
PLC順(shùn)序控製實(shí)訓:在運用PLC進行(háng)順序控製時常采用順序控製指令,這是一種由順序(xù)功能圖設計梯形圖的步進型指令。首(shǒu)先用順序(xù)功能圖描(miáo)述程序的設計思想,然後再用指令編寫出符合程序設計思(sī)想的程(chéng)序(xù)。順序控製指令可以將順序功能(néng)圖轉換成梯形圖程序,順序功能圖是設計梯形圖程序的基礎。
1.順序功能圖簡(jiǎn)介:
一個三步循環步進的順序功能(néng)圖如圖(tú)1所示。

圖1 順序功能圖

圖(tú)2 狀態步之間的邏輯關係(xì)
2、PLC順序控製實訓:.順序控製繼電器指令:

說明:1)順序(xù)控製繼
電器(qì)位n必須尋址順序控製繼電器S的位。不能 把同一編號的順序控製繼電器位(wèi)用在不同的程序中,例如,如果在主(zhǔ)程序中使(shǐ)用S0.1,則不能在子程序中再使用;
2)在SCR段之間不能使用JMP和LBL指令,即不允許跳入或跳出SCR段。可以使用跳轉和(hé)標號指令在SCR段內跳轉;
3)不能在SCR段中使用FOR、NEXT和END指令。
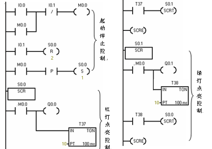
3. 順序控(kòng)製繼電(diàn)器指令編程舉例
紅綠燈循環點亮控製
1)紅綠燈循環點亮控製要求
按下起動按鈕,紅燈點亮1S後熄滅,同時綠燈點亮;綠燈點亮(liàng)1S後熄滅,再點亮紅燈,不斷循環直至按下停止按鈕
2)繪(huì)製(zhì)順序功能圖
根據控製要求繪製紅綠燈循環點亮的(de)順(shùn)序功能圖。

3)編製梯形(xíng)圖程序