设为首页| 收藏(cáng)本站| 联系我们

M7120平面磨床的实训(xùn)说(shuō)明

一、M7120平面磨床实训装置-基本组成
1、面板1
面板上装有三相电源输入指示,过流,过压保(bǎo)护装置等安全(quán)保护装置。
2、面板2
面板上装有断路器、熔断器、接触器、热继电器、变压器等元器件,这些元器件直接安装在面板表面,可(kě)以很直观的看它们的动作情况。面板上安装有机(jī)床的(de)所(suǒ)有主令(lìng)电(diàn)器及动作指示灯、机床的(de)所有操(cāo)作(zuò)都在这块面板上进行。
3、半实物机床
可(kě)以模拟机(jī)床的一些基本动作,使学生更能掌握真实机床动作原理。
4、故障开(kāi)关箱
设有36个开关(guān),其(qí)中K1到K28用于故障设置(zhì);K29到K36保留;其中上部分用于老师设置故障,设置好以后可以用钥匙锁住,学生在下部分开关上排除故障,在设置故障时当两开关为同一位置时即(jí)为闭合状态,反(fǎn)之则为常开状态。
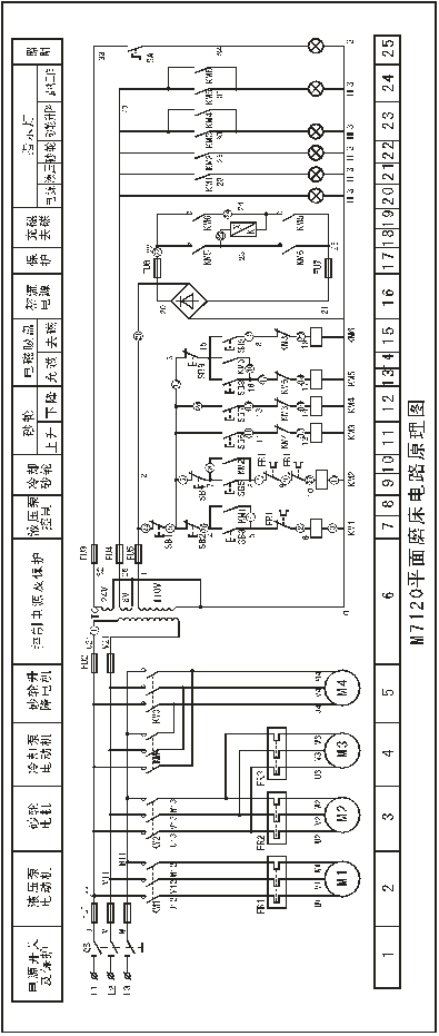
二、M7120平面磨床实训装置-机床原理图

三、普通磨(mó)床的主要工作概况
    磨床(chuáng)是用砂轮的周边或端面进行机械(xiè)加(jiā)工的精密机床。磨床的(de)种类较多,按其(qí)工作性质可
    分为外圆磨床、内圆磨(mó)床、平(píng)面(miàn)磨床、工具磨床以及一些专用磨床(如螺纹磨床、齿轮磨床(chuáng)、球面(miàn)磨床、花键磨床、导轨磨床与无心磨床等),其(qí)中尤以平面磨床应用最为普(pǔ)遍。
    平面磨床(chuáng)是用砂轮磨削加工各种(zhǒng)零件的平面。M7120型平面磨床是平面磨床中使用较为普遍的一种,它的磨削精(jīng)度和光洁度(dù)都比较高,操作方(fāng)便,适用(yòng)磨削精密零件(jiàn)和各种工具,并可作镜面磨削。
    M7120型平面磨床由床(chuáng)身、工作台(包括电磁吸盘(pán))、磨头(tóu)、立柱、拖板、行程挡块、砂轮修正器、驱动工作(zuò)台手轮、垂直进给手轮、横向进给(gěi)手(shǒu)轮等部件组成。
    平面磨床可分为以下几种基本类(lèi)型:立轴矩台平面磨床、卧轴矩台平面(miàn)磨床、立轴圆台平面磨床、卧轴圆台平面磨床。现以M7120型卧轴矩台平(píng)面磨床(chuáng)的(de)电气控制为例进(jìn)行分析。
四(sì)、普通磨床(chuáng)的电气控制线路分析
    M7120型平面磨(mó)床的电气控(kòng)制线路如图所示。主要分为主电路、控制电路、电磁工作台控制电路及照明与指示灯(dēng)电路四(sì)部分。图中使用的电器元件符(fú)号及功能说明如表1.1所示。
表1.1 M7120型平面磨床电器元件符号及功能说明
符(fú)号 名称及用途 符号 名称及用途
QS 电源开关 SB1~SB10 按(àn)钮
M1 液(yè)压泵电动机 YH 电磁吸盘
M2 砂轮电动机 YC 整流器
M3 冷(lěng)却泵电动机 KV 欠(qiàn)电压继电器(qì)
M4 砂轮升降电动(dòng)机 C 电容
KM1~KM6 交流(liú)接触(chù)器 R 电阻
FRl 热继电器 HLl~HL5 指示灯
FR2 SA 台灯开关
FR3 EL 工作照明灯
FU1 熔断器(qì) XSl、XP1 接插件
FU2~FU7 XS2、XP2
TC 控制变(biàn)压器 XB 接零牌
1、主电路分析
主电路共有四台电动机,其中M1是液压泵电动机,它驱动(dòng)液压泵进行液压传动,实现(xiàn)工作台和砂轮的往复运动;M2是砂轮电动机,它带动砂轮转动来完成磨削加工工件;M3是(shì)冷却泵电
动机(jī),它供给砂轮对工件加工时所(suǒ)需的冷却液;它们(men)分别(bié)用接触器(qì)KMl、KM2控制。冷却泵电动机M3只有在砂轮电机M2运转后才能(néng)运转(zhuǎn)。M4是砂轮升降电动机,它用于磨削过程中调整砂轮与工件之间的位(wèi)置。MI、M2、M3是长期工作的,所以电路都设有过载保护。M4是(shì)短(duǎn)期工作(zuò)的,电路不设过(guò)载保护。四台电动机共用一组熔断器FUl做短路保护。
2、控制线路分析
(1)液压泵电动机M1的控制
合(hé)上电(diàn)源开关(guān)QS,如果整流电源输出(chū)直流电压正常(cháng),则(zé)在图(tú)区(qū)17上的欠压继电器KV线(xiàn)圈通电吸合,使图区7(2~3)上的常开触点闭合,为(wéi)起动液压电动机M1和砂轮电动机M2做好准备(bèi)。如果KV不(bú)能可靠动(dòng)作,则液压电动(dòng)机M1和砂轮电动机M2均无(wú)法起动。因为平面磨床的工件是靠直流电磁吸(xī)盘的吸(xī)力将工件吸牢在工作台上,只有具备可靠的直流电压后(hòu),才允许起动砂轮和液压系统,以保证安全。
    当KV吸合后,按下起动按钮SB3,接触器KM1线圈通电吸(xī)合并自锁,液压泵电动机M1起动运转,HL2指示灯亮。若按下(xià)停止按钮SB2,接触器KMl线圈断电释放,电动机MI断电(diàn)停转,HL2指示(shì)灯熄灭。
(2)砂轮电(diàn)动机M2及冷却液泵电动机M3的控制
    电动机M2及M3也(yě)必须在KV通电吸合后才能起动。按起动按钮SB5,接触器KM2线圈通电吸合,砂轮电动机M2起动运转。由于(yú)冷却泵电动机M3通过(guò)接插器X1和M2联动控制,所以M2和M3同时(shí)起动运转。当不需要冷却时,可将插头XPl拉出。按下停止按钮sB4时,接触器KM2线圈断电(diàn)释放,M2与M3同时断电停转。
    两台电动(dòng)机的过载保护热继电器FR2和FR3的常闭(bì)触点都串联在KM2电路上,只要(yào)有一台电动机过载,就使接(jiē)触器KM2失电。因冷却液循(xún)环使用,经常混(hún)有污(wū)垢杂质,很容易引起冷却液泵电动机M3过载,故用热继电器FR3进行过载保护。
(3)砂(shā)轮升降电动机M3的控制
    砂轮升降电动机(jī)只(zhī)有在调整工件和砂轮之间位置时使用。
    当按下点(diǎn)动按钮SB6,接触器KM3线圈获电吸合,电动机M4起动正转,砂轮上升。达到所需位置时,松开SB6,接触器KM3线圈断电释放,电(diàn)动机(jī)M4停转,砂轮停止上升。
    当按下点动按钮SB7,接触(chù)器KM4线圈(quān)获电吸合,电动机M4起动反转,砂轮下降(jiàng),当达到所需位(wèi)置时,松开SB7,KM4断电释放,电动机M4停转,砂轮停止下(xià)降。
    为了(le)防止电动机M4正(zhèng)反转线路同时接通(tōng),故在对(duì)方线路中串(chuàn)入接触器(qì)KM4和KM3的常闭触头进行联锁控制(zhì)。
 (4)电磁工作台(tái)的控制
电磁工作台又称电磁吸(xī)盘,它(tā)是固定加工工件的一种夹(jiá)具。利用通电导体在铁心中产生的
磁场吸牢铁磁材料的工件(jiàn),以便加(jiā)工。它与机械夹具比较,具有夹紧(jǐn)迅速,不损伤工件,一次能吸牢若干个(gè)小工件,以及工件发热可以自由伸缩等优(yōu)点,因而电磁吸盘在平面磨(mó)床上用得十分广泛。电磁吸盘结构如图3.10所(suǒ)示。其外壳是钢制(zhì)箱体,中(zhōng)部的芯体上绕有线圈,吸盘的盖板(bǎn)用钢板制成,钢制盖板用非磁性材料(如铅锡合金)隔离成(chéng)若干小块。当线圈通上直流电以后,电磁吸盘的芯体被磁化,产生(shēng)磁场,磁通便以芯体和工件做回(huí)路,工件被(bèi)牢牢吸住。
  电磁吸盘(pán)的(de)控制电路包括三个部分(fèn):整流装置、控制装置和(hé)保护装置(zhì)。
    ①整流装置(zhì)  整(zhěng)流装置由变(biàn)压器TC和单(dān)相桥式全波整流器VC组成,供给110V直流电源。
    ②控制(zhì)装置控制装置由按钮SB8、SB9、SBl0和接触器KM5、KM6等组成。
    电磁工作台充磁和去磁(cí)过程如下:
    A.充磁过程(chéng):当电磁工作台(tái)上(shàng)放上(shàng)铁磁材料的工件后,按下充磁按钮SB8,接触器KM5线圈获电吸合,接触器KM5的两副主触点区18(204~206)、区21(205~208)闭合,同时(shí)其自锁触点区14(15~16)闭合,联锁触点区15(18~19)断开,电磁吸盘YH通入直流电流进行充磁将工件吸牢。然后进行磨削加工。磨削加工完毕后(hòu),在取(qǔ)下加工好的(de)工件(jiàn)时,先按下按钮SB9,接触器KM5断电释放,切断电磁吸盘(pán)YH的直(zhí)流电源,电磁吸盘断电,由于吸盘和工件都有(yǒu)剩磁,要取下工件,需要(yào)对吸盘和(hé)工件进行去磁。
    B.去磁过程:按下点动按钮SBl0,接(jiē)触器KM6线圈获电吸合,接触器KM6的两付主触点(diǎn)区18(205—206)、区21(204~208)闭合,电磁吸盘YH通入反向直(zhí)流电,使电磁(cí)吸盘和工件去磁。去磁时(shí),为了防止电磁吸(xī)盘和工件反向磁化将工件再次吸住,仍取不(bú)下工件,所以要注意(yì)按(àn)点动按钮SBl0的时间不能过长,同时(shí)接触器.KM6采用点动控制方(fāng)式。
    ③保护装(zhuāng)置保护装置由放电电阻R和电容C以及欠压继电器KV组成。
    A.电阻R和电(diàn)容C的作用:电磁盘是一个大电感,在充磁吸工件时,存储有大量磁场能量。当它脱离电源时的一瞬间,电磁吸盘YH的两端产生较大的(de)自感电动势,如(rú)果没有RC放电回路,电磁吸盘的线圈及其他电器的绝缘将有被击穿的危险,故用电阻和电容组成放电回路;利用(yòng)电容C两端的电压(yā)不能突变(biàn)的特点,使(shǐ)电磁吸盘线圈两端电压变化趋(qū)于缓慢;利用电阻R消耗电磁能量,如果参数(shù)选(xuǎn)配得当,此时RLC电路可以组成一个衰减振荡电路,对去磁将是十分有利的。
    B.零压继电(diàn)器KV的作用:在(zài)加工过程中,若电源电压(yā)过低使电磁吸盘(pán)YH吸力不足,则电磁吸盘将吸不牢工件,会导致工件被(bèi)砂轮打出,造成严(yán)重事故。因此,在电路中设置(zhì)了欠压继电器KV,将其线圈并联(lián)在(zài)直流电源(yuán)上,其常(cháng)开触点区7(2~3)串联在液压泵电机(jī)和砂(shā)轮电机(jī)的控制电路中,若电压过低使电磁吸盘YH吸力不足而吸不牢工件,欠电压继(jì)电器KV立即释放,使液压泵电动机M1和砂轮电动机M2立即停转,以确保电路的安全。
(5)照明(míng)和指示灯电路
    图3.9中EL为照明灯,其工作电压为36 V,由变压器TC供给。SA为照明开关。
    HLl、HL2、H13、HL4和HL5为指示灯(dēng),其互作电压(yā)为6V,也由变压器TC供给。
五个指示灯的作用是:
    HLl亮表(biǎo)示控制(zhì)电路的电源正常;不亮,表示电源有故障。
    HL2亮表示液压泵电动机M1处于运转状态,工作(zuò)台正在进(jìn)行往复(fù)运动;不亮,M1停转。
    HL3亮表示冷却泵电动机M3及砂轮电动机M2处于运行状态;不亮,表示M2、M3停转。
    HL4亮表示砂轮升降电动(dòng)机M4处于运行(háng)状(zhuàng)态;不亮,表示M4停转。
HL5亮表示电磁吸盘YH处于工作状态(充磁或去磁);不亮,表示(shì)电(diàn)磁吸盘未工作。
M7120平面磨床电气控制线路故障图及排除实(shí)训训练指导
1.实训内容
(1)用通电试验方(fāng)法发现故障现象,进行(háng)故障分析,并在电气原理图中用虚线标出最小故障范围。
(2)按图(tú)排除T68镗床主电(diàn)路或电磁吸盘电(diàn)路中,人为设置的两个电气自然故障点。
2.电气故障的设置原则
(1) 人为设置的故障点,必须是模拟机床在使用过程中,由于受到振动、受潮、高温、异物侵入、电动机负载及(jí)线路长期过载运行、启动频(pín)繁(fán)、安装质量低劣和调整(zhěng)不当等原因(yīn)造成的“自然”故障。
(2)切(qiē)忌设置(zhì)改动线路、换线、更换电器(qì)元件等(děng)由于人为原因(yīn)造成的非“自然”的故障点。
(3) 故(gù)障点的设置,应做到隐(yǐn)蔽且(qiě)设置方便(biàn),除简单(dān)控制线路外,两处故障一般不宜设置在单独支路或单(dān)一回(huí)路中(zhōng)。
(4)对于设置一个以上故障点的线路,其故障现象应尽可(kě)能不要相互掩(yǎn)盖。否则学生在检修时(shí),虽然检(jiǎn)查(chá)思(sī)路尚清楚,但检修到定额时间的2/3还不能(néng)查出一个故障点时,可(kě)作适当的提示。
(5)应尽量不设置容易造成人身或设备事故的故障点,如有必要时,教师必须在现场密切注意学生的检修动态,随(suí)时作好采取应急措施的准(zhǔn)备。
(6)设置的故障(zhàng)点,必须与学生应该具有的修复能力相适应。
故障设置一览表
故障(zhàng)编号(hào) 故障现象 故障编号 故障现象
1 机床无法启动 15 电磁吸(xī)盘不能工作(zuò)
2 液压(yā)泵电动(dòng)机无法启动 16 电磁吸盘控制不能自锁
3 液压泵电动机无法(fǎ)启(qǐ)动 17 电磁吸盘不(bú)能进行充磁
4 液压泵电动机无(wú)法启动 18 电(diàn)磁吸盘不能进行充磁(cí)
5 液压泵电(diàn)动机和砂轮电动机都无法启动 19 电磁吸盘不能退磁
6 砂轮电动机无法启动 20 电磁吸盘不能退磁
7 砂轮电动(dòng)机无法启动 21 电磁吸(xī)盘不工作
8 砂轮电动机控(kòng)制无(wú)自(zì)锁 22 电磁吸盘不(bú)工(gōng)作
9 砂轮电动机无法(fǎ)启动(dòng) 23 液压泵、砂轮电动机不能工作
10 砂轮电(diàn)动机无法(fǎ)启动 24 电磁吸盘不(bú)能退磁
11 砂轮架无法上升 25 电磁(cí)吸盘不能工作
12 砂轮架(jià)无(wú)法上升 26 液压泵不工作
13 砂轮架无法下(xià)降 27 砂轮不工作
14 砂轮架无法下降 28 砂轮不能下降
故障位(wèi)置图

其(qí)他产品链接:
机械(xiè)创新实训室的建设思路
新能(néng)源(yuán)汽车专业标准配置
中等职业学校(xiào)液压与气动实训室设备基本配置(zhì)推荐(jiàn)标准
电子基础(chǔ)类专业仪器设备基本配置推(tuī)荐标准
新能源发电综合系统实验室建设方案
中等职业学校汽车运用与(yǔ)维修专业实训基地设备基本配置推荐标
维修(xiū)电工技能训练(liàn)课程标准的介绍
中等职(zhí)业学(xué)校电力电子及电力拖(tuō)动实(shí)训室设备基本配置推(tuī)荐标准(zhǔn)
电子(zǐ)器件(jiàn)及线路测量仪器设备基本配置推荐标准
机(jī)械制图测(cè)绘(huì)实训室
中等职业学校工业自动化.可编程(chéng)控制器实训基地设备基本配置推荐(jiàn)
机电技术专业实验室基础配置建设
汽车新能源实验室(shì)的标准配(pèi)置
中等职业学校可(kě)编程序控制器实训基地设备基本配置推荐标准
供配电实训室专业仪器设备基本配置推荐标准
实验室(shì)设备安(ān)全使用维护保养须知
纯电(diàn)动汽车电机的简易测试
热处理实验室简介
材料性能实验室(shì)介绍
材料制备实验室简介
通用机械实训室简介
电梯仿真实训室(shì)
制(zhì)冷制(zhì)热实验台(tái)空(kōng)调电脑板故障操(cāo)作说明
有害气体吸附实验装置实验说明书
农机实训室建设标准及方案设计
风电新能源(yuán)实验室建设方案
机电一体化实验室
低压电器与电工仪表实验室
模拟电子技术实验室
传感(gǎn)器技术实验设备(bèi)-霍尔传感器的振(zhèn)动测量实验
火灾报(bào)警与消防控(kòng)制综合实训室
数字化(huà)课程包
计算机教室配置标准
汽车运用(yòng)与维修专业实训基地设备基本配置推(tuī)荐标准
中等职业学校家用电器实训(xùn)教(jiāo)学(xué)设备基本配置推荐标准
风机(jī)盘管接线(xiàn)安装实训台
机电实验室
热工实验室
中等职业学校电(diàn)工电子(zǐ)类专业实训基(jī)地设备基本(běn)配置推荐标准
家用(yòng)电器之洗碗机实训指(zhǐ)导书
山东省普通高中探究(jiū)实验室配(pèi)置(zhì)标准
中等职业学校电工电子实训基地设备基本配置推荐标准
电工基本技能实训室(shì)设备基本配置推(tuī)荐标准
暖(nuǎn)通空调与(yǔ)热工实验室
空调制冷技术专业仪器设(shè)备基(jī)本配置推荐标准
电机检修技能操作实训(xùn)台
电工实验台最大功率传输条件测定说明
纯电动汽车加速踏板位置传感器检测
交流变极(jí)调速系统实训(xùn)装置(zhì)
电机及拖动技术实训平(píng)台
2024款维修电工实训装置
传感器与检测技术实验台
电工实验装置指(zhǐ)针式万用表
电子技能实训设(shè)备三端集成稳压电源的制作
农民工基础电工建设方案
单片机实验室
高(gāo)性能(néng)初级维修电工技(jì)能实训台
建筑供配电实训装置的性能
电机及电拖(tuō)控制技(jì)术实训(xùn)台
电机(jī)拖动及(jí)控制(zhì)实训台
电(diàn)力(lì)电子与电气传动(dòng)实训台

我们的优势:

品牌理念品牌理念 标准流程 标准流程 有效沟通(tōng)有效沟通专业管理 专业管理客户视图 客户(hù)视图(tú)优秀团队(duì)优秀团(tuán)队品质保证品质保证无忧售(shòu)后无(wú)忧售后
上海红桃视频app科教设(shè)备(bèi)有限公司,立于上海(hǎi),心怀天下
生产基地:上海松江叶榭工(gōng)业园

业务电话:021-56311657 , 56411696 , 业务传真:021-56411696 公司邮箱:shanghaimaoyu@126.com
教学设备(bèi)厂 沪公网安备 31010702001294 号(hào) 沪(hù)ICP备13020377号(hào)-1
备案
网站地图 红桃视频app-17c起草红桃国际-星空无限传媒红桃视频-红桃影视tvapp免费下载