

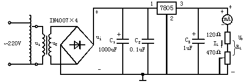
| IL(mA) | 0 | 20 | 40 | 60 | 80 | 100 |
内阻(zǔ)平均值 Ro= |
| Uo(V) |
| 测量值 | U1 | 198V | 220V | 242V |
| Ui/Uo | ||||
| 计算值 | ΔUi/Ui | |||
| ΔUo/Uo | ||||
![]() |
品牌理念
标准流程
有效沟通
专业管理
优秀团队
品质(zhì)保证
无忧(yōu)售后 | 上海红桃视频app科教设备有(yǒu)限公司,立于上海,心怀天下 |
生产基地:上海松江叶榭工业园
业务电话:021-56311657 , 56411696 , 业务传真:021-56411696 公司邮箱:shanghaimaoyu@126.com 教学(xué)设备厂 沪公网安备 31010702001294 号 沪ICP备13020377号-1 |