
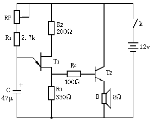
| 代号 | 名称 | 规格 | 代号 | 名称 | 规格 |
| R1 | 电阻 | 2.7 K | C | 电解(jiě)电容 | 47μF |
| R2 | 电阻 | 200Ω | K | 开关 | 钮子开关 |
| R3 | 电(diàn)阻 | 330Ω | T1 | 单结管 | BT33 |
| R4 | 电阻 | 100Ω | T2 | 三极管 | 9013 |
| RP | 电位器 | 22K | B | 喇叭 | 8Ω |

其他产品链接:
机械创新实训室(shì)的(de)建设思路
新能源汽车(chē)专业(yè)标准配置
中等职业学(xué)校液压与气动实训室设备基本配置推荐标准
电子基础类专业仪(yí)器设备基本配置推荐(jiàn)标准
新能源发电(diàn)综合系统实验室(shì)建(jiàn)设方案(àn)
中等职业学校汽车运(yùn)用与维修(xiū)专业实训基地设备基本配(pèi)置推荐标
维修(xiū)电工技能(néng)训练课程标准的(de)介绍
中等职业学校电力电子及(jí)电(diàn)力(lì)拖动实训(xùn)室设备基本配(pèi)置推荐标准
电子器件及线路(lù)测量仪器设备基本配置推荐标准
中(zhōng)等职业学校工业自动(dòng)化.可编(biān)程控制器(qì)实训基地设备(bèi)基本配置推荐
中等职业学校可编程序控制(zhì)器实训基地设备基本配置推荐标准
制(zhì)冷制热实验台空调电脑(nǎo)板故障操(cāo)作说明
中等职业(yè)学校(xiào)家用电器实训教学设备(bèi)基(jī)本配置推荐标准
中等职业学校电工电子类专业实训基(jī)地设备基本配置推荐标准
中等职业(yè)学校电工电子实训基地设备(bèi)基本配置推荐标准
空调制冷技术专(zhuān)业仪器设备基本配置(zhì)推荐标准(zhǔn)
M7120平面磨床的实(shí)训说明
电机检修技能(néng)操作实训台
电工实验台最大功率传输条件测定(dìng)说明
纯电动汽车加速踏板位置传感器检测(cè)
品牌理念
标准(zhǔn)流程
有效沟通
专业管理
优秀团队(duì)
品(pǐn)质保证
无忧售后 | 上海红桃视频app科教设备有限公司,立于上海,心怀(huái)天下 |
生产基地:上海松江叶榭工业园
业务电话:021-56311657 , 56411696 , 业(yè)务传真:021-56411696 公司邮箱:shanghaimaoyu@126.com 教学(xué)设备厂 沪公网安备 31010702001294 号 沪ICP备13020377号-1 |