



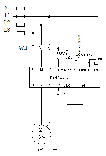
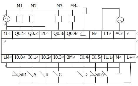
| 输(shū)入信号(hào) | 输出信号 | ||
| 启动按钮SB1 | I0.0 | M1 | Q0.1 |
| 停(tíng)止按钮SB2 | I0.5 | M2 | Q0.2 |
| A | I0.1 | M3 | Q0.3 |
| B | I0.2 | M4 | Q0.4 |
| C | I0.3 | ||
| D | I0.4 | ||
| 拨动开关I1.1 | I1.1 | ||

品牌理念
标准流程(chéng)
有效沟通
专业管理
优秀团(tuán)队
品质保证
无忧售后 | 上海(hǎi)红桃视频app科教(jiāo)设备有限公(gōng)司,立于上海,心怀天下 |
生产基地:上海松江叶榭工业园
业务电话:021-56311657 , 56411696 , 业务传真:021-56411696 公司邮箱:shanghaimaoyu@126.com 教学设备厂(chǎng) 沪公网安(ān)备 31010702001294 号 沪ICP备13020377号-1 |