
| 代號 | 名稱 | 型號 | 規格 | 數量 | 備注 |
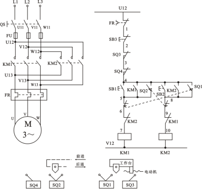
| QS | 低壓斷路器 | DZ108-20/10-F | 脫扣器整定電流0.63-1A | 1 | |
| FU | 螺旋式熔斷(duàn)器 | RL1-15 | 配熔體(tǐ)3A | 3 | |
|
KM1 KM2 |
交流接觸器 | CJX2-0910 | 線圈AC380V | 2 | |
| FR | 熱繼電器 | JRS1D-25 | 整定(dìng)電流0.63-1A | 1 | |
| SB1 SB2 SB3 | 按鈕開關 | LAY16 | 3 | ||
| XT | 接(jiē)線端子排 | AC660V25A | 25位 |
XT1裝15位 XT2裝10位 |
|
| M | 三相鼠籠式異步(bù)電動機 |
UN380V(Y) IN0.53APN160W |
1 | ||
| SQ1、SQ2 | 行程(chéng)開關 | LX19-111 | 觸動複(fù)位 | 2 | |
| SQ3、SQ4 | 行(háng)程(chéng)開關(guān) | YBLX-19/001 | 自動複位 | 2 |



品牌理念
標準流程(chéng)
有效溝(gōu)通
專業管理
優秀團(tuán)隊
品質保證
無憂售後 | 上海茂(mào)育科教設備有限公司,立於上海,心懷天下 |
生產基(jī)地:上(shàng)海鬆江葉榭工(gōng)業園
業務電話:021-56311657 , 56411696 , 業務傳真(zhēn):021-56411696 公司(sī)郵(yóu)箱:shanghaimaoyu@126.com 教學設備廠 滬公(gōng)網安備 31010702001294 號 滬ICP備13020377號-1 |