
| 代号 | 名称 | 型号 | 规格 | 数量 | 备注 |
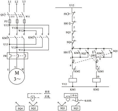
| QS | 低压断路器 | DZ108-20/10-F | 脱扣器整定电流0.63-1A | 1 | |
| FU | 螺旋(xuán)式熔断器 | RL1-15 | 配(pèi)熔体3A | 3 | |
|
KM1 KM2 |
交流接触器 | CJX2-0910 | 线圈AC380V | 2 | |
| FR | 热继电器 | JRS1D-25 | 整定电流0.63-1A | 1 | |
| SB1 SB2 SB3 | 按钮开关 | LAY16 | 3 | ||
| XT | 接线端子排 | AC660V25A | 25位 |
XT1装15位 XT2装10位 |
|
| M | 三相鼠笼式异步电动机(jī) |
UN380V(Y) IN0.53APN160W |
1 | ||
| SQ1、SQ2 | 行程开关 | LX19-111 | 触动复位 | 2 | |
| SQ3、SQ4 | 行程开关(guān) | YBLX-19/001 | 自(zì)动复位 | 2 |



其他产品(pǐn)链接:
加强中职学生对弱电与强电认识
好氧堆肥实验装置(zhì)使用说明
电机及电气技术(shù)实训装置
传感器实验台温度控制仪表操作说明
太阳能光伏发电综合实训系统使用(yòng)说明
电动机技术工作原理及(jí)运行维护
电机与拖动实验实训报告
光(guāng)机电一体化实(shí)训设备实验室介绍
机(jī)械设计实验室
齿轮范成仪使用说明书
基础(chǔ)电工(gōng)电(diàn)子实验室设备
定制热管换热器实验台
家用电器之电子消毒柜实验指导(dǎo)书
物(wù)联网射频(pín)识(shí)别综合应用实验(yàn)箱(xiāng)
初级维修电工实验(yàn)台
臭氧氧化脱色实验说明书
萃取精馏教学实验指导书(shū)
二氧化碳PVT关(guān)系测定实验指导(dǎo)书
空气绝热(rè)指数测定装置实验指导书
填料吸收(shōu)实验装置使用指导书
超滤、纳滤、反渗透多功能膜分离实验装置说明
孔口管嘴实验(yàn)仪说明书
热电偶制作校验仪说明书
好(hǎo)氧堆(duī)肥实验装置实验说明书
沿程阻力系数测定装置说明书
文丘里除尘器性(xìng)能实验指导书
制冷压缩机性能(néng)测试实训装置指导书
化工传热实验装置使用说明书
数据采(cǎi)集板式静电除尘器指导书
《台虎钳》实测绘图组(zǔ)合训练装置
自由对流横管管外放热系数测试装置使(shǐ)用说明书
流体力学综合实(shí)验装置使用说明书
《典型零(líng)件》实测绘图训练装置
制冷制热工作(zuò)原理及(jí)实验目的
挖掘机液(yè)压模拟训练平台操作说明
中温法向辐射率测量仪实验装(zhuāng)置的介(jiè)绍及(jí)使用说明(míng)
传感器实(shí)验台的特点及维(wéi)护
热电偶校验(yàn)仪使用说明
热电阻校验装置使用说明
做燃料(liào)电池教具实验要注意什么
电机及电气技术实验的基本(běn)要求及安全操作规程
交流及直流电源实验操作说明
传感器实验(yàn)台温度控制仪表操作说明
冲击水浴除尘器实验装置使用(yòng)说明
变压器耦合推挽功率放大器实(shí)验说(shuō)明
平面磨床面板器(qì)件布(bù)局(jú)图(tú)及电路实训单元故障现象
定时兼报警(jǐng)记录(lù)仪的使用方法
浅谈职(zhí)高《电子线路》教学中学生能力的(de)培养
试析自(zì)动化(huà)专业实(shí)验实训室建设与实践(jiàn)教学体系改革
浅析创新电工电子实(shí)训教学模式提高学生自主操作能力
谈《维修(xiū)电工》工学结合一体化教学(xué)
电气自动化技(jì)术专业生产性实训模式创(chuàng)新
浅谈电工学实验(yàn)在中专专业课教学中的作用
化工电气自动化专业实训室建设探讨
浅谈液(yè)压(yā)系统污染物的防与治
关于《液压与气动技术》课程教学探(tàn)索
试析“新能源导论与创(chuàng)新实(shí)践”教学体会与实践
浅谈电力局办公(gōng)自动化系统(tǒng)的开发模型
两电极电化学CO传感器的研制
传感器教(jiāo)学中学生创新素质的培养(yǎng)
中(zhōng)职实训基(jī)地建设的探索与实践
基于(yú)PLC多台空调机组的自动控制设计
浅谈析基于FMS的机电一体化教学(xué)培训系统开发
电工电子实验技能正(zhèng)确(què)使(shǐ)用的认识
改善机电一体化传动管控教学改革
浅谈电工(gōng)电子设备中的各(gè)种“地”作用(yòng)
光机电一体化设备中变频器怎么判(pàn)断故障
中(zhōng)职(zhí)学生实验中对二极管电路认识
电工电子(zǐ)实训中常见(jiàn)问(wèn)题总结
工程机械实训室建设(shè)的实习报告
中职学生为什(shí)么要学电工电子吗(ma)
在电工电子(zǐ)实训中(zhōng)几种二极(jí)管的测试技巧(qiǎo)
关于中职机电一体化专业技能(néng)体系的构建
关于中职机电(diàn)一体化专业学生技能实训探索
电工电子实验中对输入电阻和输出(chū)电阻的认识
中职学(xué)生如(rú)何上好机电一体(tǐ)化课程
浅谈PLC可编(biān)程序(xù)控(kòng)制器在电气设备中作用
中职机电一体化设备组装与调试竞赛规程
浅谈中职机电一(yī)体化实习(实训)教学考核规范与标准
浅谈中职教师汽(qì)车专业技能标准的差异及对策
浅谈(tán)煤矿自动化机电技术探索
浅谈中职汽车一般常见故障的(de)诊断方法
中职对机电一体化计算(suàn)机基础探索
机电一体化技能竞赛促进教学质量的提高
浅谈中职汽车电气(qì)设备构造与维修课程实践教学探索
对机电一体化设备安装中几个要点认识
对新型传感(gǎn)器提升电动机性(xìng)能并降低功耗作用
讲解光机电一体化具体内容包括
浅谈机电一体化(huà)技术专业如(rú)何适应应用性本科教育
探索中职学校汽车修理专业如何适(shì)实践作业(yè)
让高(gāo)职学生了解热电(diàn)偶现场使用的注意事项
浅谈教学电梯安装实训教(jiāo)学(xué)的分析
浅析电梯电气故障原因及解决措施
探索现代电力电子技(jì)术应用状况
高职汽车技术服务与营销专业实践教学改革新探(tàn)
汽车维修职业教育中故(gù)障诊断思维方法的培养
浅谈智能楼宇闭路电视监控系统方案
品牌理念(niàn)
标准流程
有效沟通
专业管理
优秀团队
品质保证
无(wú)忧售后 | 上海红桃视频app科教设备有限公司,立于上海,心怀天下 |
生(shēng)产基地:上海松江叶榭(xiè)工业园(yuán)
业务电话:021-56311657 , 56411696 , 业(yè)务传真:021-56411696 公司邮箱:shanghaimaoyu@126.com 教学设(shè)备厂 沪公网安备 31010702001294 号 沪ICP备13020377号-1 |