


|
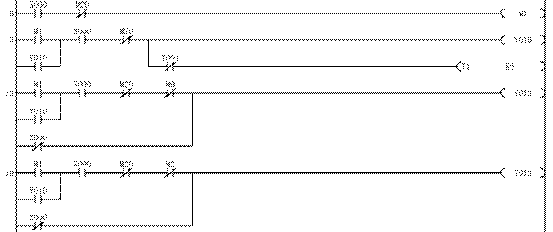
0 LD X000 1 ANI M20 2 OUT M1 3 LD M1 4 OR Y010 5 AND X000 6 ANI M20 7 OUT Y010 8 ANI Y004 9 OUT T1 K5 12 LD M1 13 OR Y010 14 AND X000 |
15 ANI M20 16 ANI M9 17 ORI X000 18 OUT Y012 19 LD M1 20 OR Y010 21 AND X000 22 ANI M20 23 ANI M2 24 ORI X000 25 OUT Y013 26 LD T1 27 OR Y004 |
28 AND X000 29 ANI M20 30 OUT Y004 31 MPS 32 ANI Y005 33 OUT M2 34 MRD 35 ANI M17 36 OUT Y017 37 MPP 38 ANI Y005 39 OUT T2 K5 42 LD T1 |
43 OR Y004 44 AND X000 45 ANI M20 46 ANI M7 47 ANI M11 48 ORI X000 49 OUT Y014 50 LD T1 51 OR Y004 52 AND X000 53 ANI M20 54 ANI M3 55 ANI M13 |
|
56 ORI X000 57 OUT Y015 58 LD T1 59 OR Y004 60 AND X000 61 ANI M20 62 ANI M5 63 ORI X000 64 OUT Y011 65 LD T2 66 OR Y005 67 AND X000 68 ANI M20 69 OUT Y005 70 MPS 71 ANI M4 72 OUT M3 73 MPP 74 ANI Y006 75 OUT T3 K5 78 LD T3 79 OR Y006 80 AND X000 81 ANI M20 82 OUT Y006 83 MPS 84 ANI M6 85 OUT M5 86 MRD 87 ANI M8 |
88 OUT M7 89 MPP 90 ANI Y007 91 OUT T4 K5 94 LD T3 95 OR Y006 96 AND X000 97 ANI M20 98 ANI M15 99 ORI X000 100 OUT Y016 101 LD T4 102 OR Y007 103 AND X000 104 ANI M20 105 OUT Y007 106 OUT M6 107 MPS 108 ANI M10 109 OUT M9 110 MPP 111 OUT M8 112 OUT T5 K5 115 LD T5 116 OR Y000 117 AND X000 118 ANI M20 119 OUT Y000 120 MPS |
121 ANI Y001 122 OUT T6 K5 125 MPP 126 OUT M4 127 LD T6 128 OR Y001 129 AND X000 130 ANI M20 131 OUT Y001 132 OUT M10 133 MPS 134 ANI M12 135 OUT M11 136 MRD 137 ANI M14 138 OUT M13 139 MRD 140 ANI M16 141 OUT M15 142 MRD 143 ANI M18 144 OUT M17 145 MPP 146 ANI Y002 147 OUT T7 K5 150 LD T7 151 OR Y002 152 AND X000 153 ANI M20 |
154 OUT Y002 155 OUT M12 156 MPS 157 ANI Y003 158 OUT M14 159 MPP 160 OUT M16 161 MPS 162 ANI Y003 163 OUT T8 K5 166 MPP 167 OUT M18 168 LD T8 169 OR Y003 170 AND X000 171 ANI M20 172 OUT Y003 173 ANI T10 174 OUT T9 K5 177 LD T9 178 OR M20 179 AND X000 180 ANI T10 181 OUT M20 182 OUT T10 K5 185 OUT M21 186 LD T10 187 ZRST M1 M21 192 END |




品牌理念(niàn)
標準流程
有效溝通
專業管理
優秀團(tuán)隊
品質保(bǎo)證(zhèng)
無憂售(shòu)後 | 上海红桃视频app科教設備有限公司,立於上海,心(xīn)懷天下 |
生產基地:上海鬆江葉榭工業園
業務電話:021-56311657 , 56411696 , 業務傳真:021-56411696 公司郵箱:shanghaimaoyu@126.com 教學設備廠 滬(hù)公網安備 31010702001294 號 滬ICP備(bèi)13020377號(hào)-1 |