
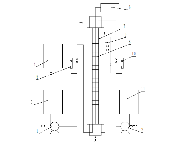
的系统,即系统的界面(miàn)张力随溶质浓度(dù)增加而增加的系统,当溶质从(cóng)液滴向连续相传递时,液滴的稳定性较差,容易破碎,而液膜的稳定性较好,液液不易合并,所以形成的液滴平均直径较小,相际接触面积较大;当溶质从连续相向液滴传(chuán)递(dì)时,情况刚好相反。在设计液(yè)液传质设备时,根据系统性质正确选择作为分(fèn)散相的液体,可在同样条件下获得较(jiào)大的相际(jì)传质表面积,强化传(chuán)质过程。

品牌理念
标准流程
有效(xiào)沟通
专业管理
优秀团队
品质(zhì)保证
无忧售后 | 上海红桃视频app(yù)科教设备有限公司,立于上海,心怀天下 |
生(shēng)产基(jī)地:上(shàng)海(hǎi)松江叶榭工(gōng)业(yè)园
业务电话(huà):021-56311657 , 56411696 , 业务传真:021-56411696 公司邮箱:shanghaimaoyu@126.com 教学设备厂 沪公网安备 31010702001294 号 沪ICP备13020377号-1 |